English
English
67GHz 射频开关 | 为极致信号路由而生
来源: | 作者:达通电子 | 发布时间: 2026-03-24 | 69 次浏览 | 🔊 点击朗读正文 ❚❚ | 分享到:

一、产品定位

       江苏达通电子技术有限公司的射频同轴开关,是专为通信系统、自动化测试平台、雷达与航空航天、广播电视及科研实验打造的高性能信号路由解决方作为控制射频信号通断或路径切换的关键元件,产品采用精密同轴设计,能够在高频环境下实现低损耗、高隔离的信号路由,确保信号在传输路径上的稳定性和完整性,是现代高频电子系统中不可或缺的关键组件

图片

二、核心特点

2.1 超宽频率覆盖

  • 支持从低频至67GHz的广泛频率范围,全面覆盖5G通信、卫星互联、毫米波雷达等前沿应用

2.2 高信号传输质量

  • 精密同轴设计有效减少信号辐射损失,防止电磁干扰,确保信号稳定性和完整性

2.3 微秒级快速切换

  • 支持微秒级切换速度,完美适应雷达波束控制、自动化测试等需要快速响应的应用场景

2.4 高可靠性与长寿命

  • 机械寿命高达500万次以上,设计耐用、维护需求低,适合长期稳定运行

2.5 高功率容量与环境适应性

  • 支持大功率信号传输,适用于广播电视、卫星通信等大功率场景;可在-55℃~+125℃宽温区及恶劣环境下可靠工作

2.6 结构紧凑,易于集成

  • 体积小、重量轻,标准化接口和尺寸,便于系统集成和安装,适应复杂系统需求

2.7 高隔离度与抗干扰

  • 优异的通道间隔离度,有效抵御电磁干扰,确保复杂环境中的信号稳定传输

2.8 智能化控制

  • 配备完善的控制器和驱动电路,支持远程控制和自动化操作,提升系统效率

2.9 兼容性强,升级无忧

  • 标准化接口设计,便于与现有系统无缝集成和未来升级

三、典型应用场景

图片

四、技术参数概览

图片
图片

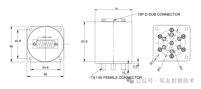
外形尺寸:

图片

五、为什么选择达通电子射频同轴开关?

  1. 全频段覆盖,一站解决
    从DC到67GHz的完整产品线,满足从低频测试到毫米波应用的全面需求

  2. 军工级品质,极端环境验证
    遵循军用标准设计与生产,通过严苛的环境适应性测试,在航空航天、雷达等关键领域久经考验

  3. 500万次长寿命,TCO更低
    高达500万次的机械寿命,大幅降低产线停机时间和更换成本,长期综合拥有成本优势显著

  4. 高信号质量,精准传输
    同轴设计减少信号辐射损失,防止电磁干扰,确保信号稳定性和完整性

  5. 智能化控制,提升效率
    配备完善的控制器和驱动电路,支持远程控制和自动化操作,实现复杂信号路由的智能化管理

  6. 国产高端,交期与价格双重优势
    在性能达到国际一线品牌水准的同时,提供更短的交货周期和更具竞争力的价格,助力客户降低供应链风险

六、结语

       在射频系统日益复杂、信号频率不断攀升的今天,信号路由的可靠性、灵活性与性能直接决定了整个系统的成败。达通电子的射频同轴开关,以超宽频带覆盖、微秒级快速切换、军工级可靠品质和智能化控制能力,为通信、测试、雷达、广电等各行业客户提供坚实可靠的信号路由保障。无论是实验室的单通道切换,还是产线的批量测试,达通电子都是您值得信赖的合作伙伴。


图片


感谢您对达通电子的关注及支持!
电话:0513-89556888
邮箱:sales@dutontech.com
网址:www.dutontech.com
#达通电子


↓点击下阅读原文获取更多网站资↓